Volpe RTTY PLL Demodulator Revisited

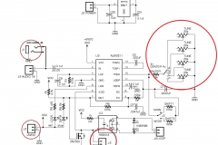
I recently contacted Eric to see if he had any NJM2211 PLL demodulator boards available. He was out of them and had not planned on making more. He gave me permission to make boards based on his circuit design. I laid this out similarly to his original board with parts I had on hand or could easily obtain along with some minor additions. I saw no change in performance from his original design that I have, as the basic circuit is still Eric’s. The board uses all through hole components. I have used this with all the ITTY feeds, with excellent results. Any of the XR2211’s I found on eBay from China worked fine. I used Tayda parts for most the items I did not have in my stock pile, and I retained Eric’s pcb component designations and board dimensions (1.90″ x 2.60″). This board supports 4 different preset shift/center frequency combinations selectable by moveable jumper. I found his TU an excellent choice for all the ITTY feeds. If anyone wants to try this, contact me at <qrpbuilder@gmail.com>. A good source of the growing internet rtty feeds, with all the speeds and shifts, can be found at http://rttyonline.com/. The cost for a board is free.

 

Parts list and description for this board here.

Eric’s original documentation here.

 

 

 



Visit counter For Websites